Manual Instalación de Batería Auxiliar y Consumibles para Furgos Camper

Iniciado por eneko, Agosto 14, 2007, 21:06:30 pm

Tema anterior - Siguiente tema

0 Usuarios y 3 Visitantes están viendo este tema.

pulpitus

Tengo algunas dudas con la instalación de la batería de la T5 que he comprado, a ver si alguien me puede ayudar.

Algunas veces la batería secundaria no carga, esto me pasa sobretodo si he utilizado aparetejos de consumo elevado con la furgo sin el motor en marcha, por ejemplo después de usar un aspirador de 12V. Al arrancar la furgo no se pone a cargar la secuendaria, si mides con un polímetro el alternador funciona bien pero el rele (que se oye el click al arrancar) parece que no le da paso, lo normal es que después si circulas media horita empieza a cargar como normalmente, a 14,3-14,4V. Es una T5 de las primeras, dudo que lleve cosas inteligentes :D

Mirando lo que llevo instalado veo 2 reles, no veo claro porque llevo 2, decir que también llevo una calefacción eberspacher, puede ser un rele para la cale? tampoco entiendo el fusible que está marcado como buzzer, para que puede servir?

Agradezco cualquier comentario, cada vez que veo que no carga la batería me pongo nervioso y la verdad no me da tranquilidad pensar que igual se está muriendo el rele.

TREPAPINOS

Muy completo y detallado el post. Gracias por la aportación.
Saludos.

Stuaty

Cita de: argibay en Noviembre 16, 2018, 18:29:35 pm
Tengo una Vito de las nuevas con alternador inteligente,y haciendo la instalacion de la segunda bateria como en la anterior furgo con el rele automatico en mi caso un audiobus conectado a voluntad,pues no funciona.
Bueno funciona cuando el alternador esta en marcha logicamente pero como este se enciend y apaga solo pues el rele tambien.
La cuestion es si con un simulador del D+ se solucionaria el problema.
Por ejemplo:
https://www.google.es/url?sa=t&source=web&rct=j&url=https://www.amazon.de/VOTRONIC-D-Simulator/dp/B00BJ0RXZA&ved=2ahUKEwjE5an6t9neAhVOPFAKHdkSC0oQFjAAegQIAxAB&usg=AOvVaw1QWSCesiaq1OUvGyX-Pp9d

Y digo yo... -que también intentando encontrar solución a la carga de batería con alternador inteligente- que se me ha ocurrido... Y si conectamos un cargador típico de baterías de estos que se ponen en casa? Conectado a un conversor? No sé evitaría el lío que si Booster que si vitronic...?

Hablo desde mi ignorancia, no sé si valdría pero si funcionase sería una alternativa mucho menos liosa, ni pasar cables ni gaitas no? O es que cargan con menos potencia que el alternador?

Y por otro lado también pregunto yo, un arrancador de baterías, dejándolo ahí conectado a la batería y cargandolo en casa o también como dije antes a la toma de 12v con un inversor?

Es que por mucho que leo, no me aclaro con las soluciones que presenta la gente.

He llamado a la Peugeot (mi caso Peugeot Partner) y me han pasado con taller y les he contado mi caso.

Les he preguntado por el alternador inteligente, y me han dicho que mi Partner, al margen de ser stop star, no lleva alternador inteligente. Que esos alternadores lo llevan los hibridos gasolina/eléctricos. Que al llevar stop star el alternador siempre está dando carga, ya que sino no funcionaría el sistema este, por la necesidad de mucha carga o no sé qué me dijo.

Ahora sí que me he quedado más loco todavía. Entiendo entonces que con relé nagares automático voy sobrado?

Truleque

Cita de: Stuaty en Noviembre 27, 2018, 12:31:54 pm
Y digo yo... -que también intentando encontrar solución a la carga de batería con alternador inteligente- que se me ha ocurrido... Y si conectamos un cargador típico de baterías de estos que se ponen en casa? Conectado a un conversor? No sé evitaría el lío que si Booster que si vitronic...?

Hablo desde mi ignorancia, no sé si valdría pero si funcionase sería una alternativa mucho menos liosa, ni pasar cables ni gaitas no? O es que cargan con menos potencia que el alternador?

Y por otro lado también pregunto yo, un arrancador de baterías, dejándolo ahí conectado a la batería y cargandolo en casa o también como dije antes a la toma de 12v con un inversor?

Es que por mucho que leo, no me aclaro con las soluciones que presenta la gente.

He llamado a la Peugeot (mi caso Peugeot Partner) y me han pasado con taller y les he contado mi caso.

Les he preguntado por el alternador inteligente, y me han dicho que mi Partner, al margen de ser stop star, no lleva alternador inteligente. Que esos alternadores lo llevan los hibridos gasolina/eléctricos. Que al llevar stop star el alternador siempre está dando carga, ya que sino no funcionaría el sistema este, por la necesidad de mucha carga o no sé qué me dijo.

Ahora sí que me he quedado más loco todavía. Entiendo entonces que con relé nagares automático voy sobrado?
de que año es tu partner y q motor lleva diésel o gasoil

Stuaty

Cita de: Truleque en Noviembre 27, 2018, 13:01:09 pm
de que año es tu partner y q motor lleva diésel o gasoil


Pues es diesel de hace 3 meses. La última versión antes del reciente restiling. La que sale en la foto de mi perfil. Una teppe adventure 1.6 HDI s&s 120cv

WorkLessSurfMore

Buenas, me surge una duda con la instalacion de la segunda bateria, que pienso poner con placas solares, y de vez en cuando, si es necesario tirar de alternador.

Para esto entiendo que pondría un Relé manual, mas barato, y lo activo yo con un interruptor, pero me surgen las siguientes dudas:

-Puedo poner el Relé muy pegado a la bateria principal?

-Puedo no usar el chasis como negativo en la instalacion del Relé? En vez de pasar un cable a la auxiliar paso dos no?

Un saludo y gracias!

Frenetyk

Enero 02, 2019, 18:29:05 pm #6021 Ultima modificación: Enero 02, 2019, 19:09:25 pm por Frenetyk
Edito: he llamado a la casa y me han dicho que mi alternador es normal, no inteligente, así que todo lo que había expuesto no sirve de nada.

Saludos

Argibay

Pues todavía no ,porque aún no he mirado el alternador y no se si tiene salida al D+.

JmGarciaM

Me gustaría, cuando pueda  .llorando .llorando .llorando , colocar unas tomas de mechero/usb distribuidas por el salpicadero en lugares estratégicos y deseados.

Pues bien; en cada toma mechero/usb quisiera poner un interruptor de dos circuitos (positivo y negativo) tres posiciones (I-NC-II). Con esto pretendo poder alimentar, independientemente, cada toma mechero/usb con voltios de la batería principal o de la batería auxiliar o no alimentar (posición central del interruptor).

Hasta aquí la cosa es fácil pero quiero complicarme un poco mas la vida.

En la posición central del interruptor quisiera alimentar la toma de mechero/usb con voltios después de arranque (después de contacto).

Y la pregunta es: ¿Cuál seria el circuito para ello con ese tipo de interruptor?
Mi abuelo decía: Los aviones vuelan por que Dios quiere y los helicópteros ni Dios sabe por que vuelan.
También decía: La información es gratis, lo caro es conseguirla. Si puedes controlar la información, puede controlar a la gente. La información es poder.

GL

Controlando el D+ con algún relé pequeñito deberias poder controlar la posición del centro, no?
Pésima experiencia oscurecedores BARNACAMPERS: http://www.furgovw.org/index.php?topic=298008.0

Personalizando y camperizando mi Transporter T4 de 1994 - http://furgoatope.wordpress.com/

aghast

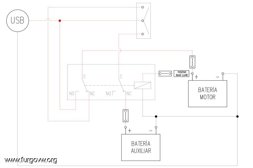
A ver si esto te vale.



No me he dado cuenta de modificar el grosor de línea y quizá no se vea todo lo bien que me hubiese gustado.

Saludos

JmGarciaM

Enero 03, 2019, 20:03:39 pm #6026 Ultima modificación: Enero 03, 2019, 20:14:58 pm por JmGarciaM
Sabia yo que Aghast saldría al rescate  .palmas .ereselmejor

Voy a estudiar el esquema.

Pensando:
Entiendo que la bobina del relé solo actúa cuando el interruptor esta en la posición "neutra" y le llega una señal de +12V después de contacto. El positivo bajo llave se puede asimilar al D+ ¿no?

Veo que "siempre" que el interruptor este en la posición neutra y tengamos +12V bajo llave (versus D+) hay voltaje en las tomas de mechero/usb. Esas tomas, en lo referente al USB, están consumiendo aunque no se usen. ¿Habría posibilidad de evitar eso?
Mi abuelo decía: Los aviones vuelan por que Dios quiere y los helicópteros ni Dios sabe por que vuelan.
También decía: La información es gratis, lo caro es conseguirla. Si puedes controlar la información, puede controlar a la gente. La información es poder.

aghast

Cita de: JmGarciaM en Enero 03, 2019, 20:03:39 pm
Sabia yo que Aghast saldría al rescate  .palmas .ereselmejor

Voy a estudiar el esquema.

Pensando:
Entiendo que la bobina del relé solo actúa cuando el interruptor esta en la posición "neutra" y le llega una señal de +12V después de contacto. El positivo bajo llave se puede asimilar al D+ ¿no?

Veo que "siempre" que el interruptor este en la posición neutra y tengamos +12V bajo llave (versus D+) hay voltaje en las tomas de mechero/usb. Esas tomas, en lo referente al USB, están consumiendo aunque no se usen. ¿Habría posibilidad de evitar eso?


Si es que me picáis y pasa lo que pasa jejeje.

La bobina actúa cuando das contacto (o D+) estando el interruptor en cualquier posición, mandando corriente desde la batería de motor al USB.

Pero para qué quieres evitar ese mínimo consumo estando el motor en marcha (señal D+) ? Si las luces de cuadro, iluminación de teclas etc... quizá ya consuman más que el USB en "reposo", no?

La verdad es que quieres unas cosas un poco enrevesadas ......

Creo que el esquema cumple con todas las condiciones que pedías en el mensaje anterior ......

A motor parado no consume de ningún sitio en la posición central, y con motor en marcha o contacto, consumen de la del motor. Es lo que querías, no?

Saludos

JmGarciaM

Cita de: aghast en Enero 03, 2019, 20:27:18 pm
Si es que me picáis y pasa lo que pasa jejeje.
.../...

Si es que te dan calambres a la mínima...  .brinda

Cita de: aghast en Enero 03, 2019, 20:27:18 pm.../...
Pero para qué quieres evitar ese mínimo consumo estando el motor en marcha (señal D+) ? Si las luces de cuadro, iluminación de teclas etc... quizá ya consuman más que el USB en "reposo", no?
.../...

Pues tienes razón  .yupiii pero quería rizar el rizo  .loco2

Cita de: aghast en Enero 03, 2019, 20:27:18 pm.../...
La verdad es que quieres unas cosas un poco enrevesadas ......
.../...

La vida me ha hecho asin...  .macarra

Cita de: aghast en Enero 03, 2019, 20:27:18 pm.../...
A motor parado no consume de ningún sitio en la posición central, y con motor en marcha o contacto, consumen de la del motor. Es lo que querías, no?
.../...

PoZi...  .gafas


En resumen: A que es buena idea.
Mi abuelo decía: Los aviones vuelan por que Dios quiere y los helicópteros ni Dios sabe por que vuelan.
También decía: La información es gratis, lo caro es conseguirla. Si puedes controlar la información, puede controlar a la gente. La información es poder.

aghast

Claro que la idea es buena, pero si además es simple, es mucho mejor.

Yo simplemente me limitaría a colocar un relé conmutado, sin interruptores ni historias.

La alimentación de los USB desde la auxiliar, la pasaría por la centralita, electroblock, etc.... hasta un contacto del relé y por el otro contacto del relé la alimentación de la de motor.
Arrancas y los USB tirarían de la de motor y al parar motor pasan a la auxiliar. Cuando dejes la furgo parada X días, apagas centralita y eliminas cualquier consumo de los USB.
Todo esto sin necesidad de interruptores.
Es mi opinión.

Saludos