Noviembre 06, 2025, 13:14:12 pm




Conexión ECU-Solenoide en TDI 102cv

Iniciado por miltonAC, Agosto 28, 2020, 00:58:27 am

Tema anterior - Siguiente tema

0 Usuarios y 1 Visitante están viendo este tema.

miltonAC

Buenas noches!

A ver si alguien me puede dar algo de luz en este tema...
Tengo una T4 TDI 102cv ACV del 97
estoy tratando de hacer un corte de encendido, mediante el corte del cable que va de la ECU (la UCE) al solenoide.
Tengo localizado en el esquema el color y el numero del pin en la ECU, pero veo que hay un conector entre medias segun manual, que conecta el T3a/1 y T10a/8 y ese es el que me gustaría atacar puesto que me quito de riesgos con la centralita.
A ver si alguien me puede decir donde encontrarlo, yo ya he buscado en inglés y español y no encuentro nada.

En caso de que nadie sepa... a ver si alguien me puede indicar el procedimiento a seguir para cortar el cable desde la centralita (ya he visto como quitar el conector, solo saber si puedo tener algun problema si quito los bornes de la batería y luego extraigo el conector o puedo hacerlo sin mas...) y si alguien dispone del esquema de la ECU porque me bajé uno que supuestamente era del MSA12 pero veo que no coincidiría el pin 53 que es el que da señal al N109. Luego tampoco estaría seguro de cual es el pin 53...

Tambien estoy planteando de hacer que la furgo solo encienda pisando el embrague, puesto que tenemos montados bimasa y sabemos que le alargamos la vida... pero hay mecanicos que no lo pisan .nono ...
Veo que al pisar el embrague mete masa en un pin de la ecu... por tanto con un relé y un diodo no voy a tener problema en montar el chirimbolo, lo que me gustaría saber es si no existe la posibilidad de hacerlo mediante el vagcom, lo que me parecería extraño que no lo hayan planteado los ingenieros.. el arrancarla pisando el embrague es mucho más seguro para el embrague, la caja de cambios y las personas que pasan delante o detras de la furgo...

Aprovecho para preguntar también si sabeis los motores ACV en que otros vehiculos fueron montados por el tema de los repuestos..

Muchas gracias, salud y Kms!!


miltonAC

Añado información,

El conector T3a1 veo que se encuentra detrás de la caja de relés, si alguien lo ha localizado alguna vez, soy todo oidos!

SoyGenin

Cita de: miltonAC en Agosto 28, 2020, 11:50:51 amAñado información,

El conector T3a1 veo que se encuentra detrás de la caja de relés, si alguien lo ha localizado alguna vez, soy todo oidos!
Cuelga el esquema, a ver si te podemos ayudar.
*T4 Caravelle Confortline 2.5 tdi  ACV 102cv del 2002 (La Plateá)
*T4 Caravelle GL 2.5i AAF 110cv del 92 (Manzanita 1.0) ... Se fué de mi lado para quedarse en el foro
*T4 2.5 tdi ACV 102cv de 1997 (Manzanita 2.0)  ...  http://www.furgovw.org/index.php?topic=241236.msg2597168#msg2597168

miltonAC

Gracias por responder Genin!
A ver si se adjunta bien, que es la primera vez que lo hago..
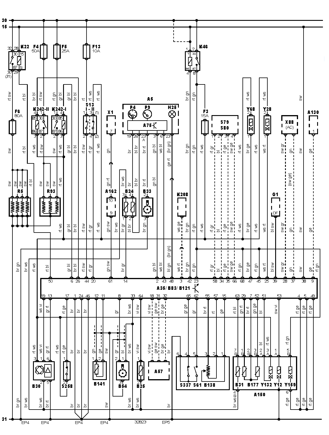
yo pienso que no es el esquema del MSA12, a ver que opinais...

miltonAC



efectivamente no se había cargado

Dice b121, creo que tendría que decir J248

Fermounth

Agosto 29, 2020, 18:33:08 pm #5 Ultima modificación: Agosto 29, 2020, 18:40:15 pm por fermounth
Cita de: miltonAC en Agosto 28, 2020, 22:58:43 pm

efectivamente no se había cargado

Dice b121, creo que tendría que decir J248

Hola, las nomenclaturas de esquemas no coinciden entre los originales y los de autodata, son temas de pago.

El conector T10 a. va delante en el vano motor

Entiendo que quieres cortar la alimentación de la unidad para que no arranque si tu no quieres.

Pon el corte en la salida del rele K46, pin 8 (87), del esquema, siempre y cuando el esquema coincida.
Creo que dejara de arrancar.

Un saludo

T4 California , Motor 1.9 TDI AGR, Cuadro Golf IV

Fermounth

Agosto 29, 2020, 18:44:51 pm #6 Ultima modificación: Agosto 29, 2020, 18:47:14 pm por fermounth
Hola.

Aqui te dejo el esquema original de ACV a partir del 96.


https://www.furgovw.org/foro/galeria/fotos/fermounth/acv97.pdf

Un saludo

P.d., lo siento ha salido vertical y se ve un poco raro las explicaciones de la derecha.
T4 California , Motor 1.9 TDI AGR, Cuadro Golf IV

miltonAC

Buenas noches!!
Mil gracias por la respuesta y por el diagrama.
Efectivamente, ese diagrama que me has pasado es el correcto.
Ahí dice que el conector T10a aparecen a partir de noviembre del 97, por tanto me paso por un par de meses... Igual lo buscaré por si hay suerte.
Además el conector T3a que había leído que estaba detrás de la caja de reles, en este esquema lo sitúa debajo de la bomba inyectora.
Por tanto quizás no me quede mucho más remedio que tocar la ecu.
Ahí dejo la distribución de pines que tiene la centralita por si a alguien le sirve en el futuro, que lo acabo de conseguir.
En caso que tenga que desconectarla.. Cuál es el procedimiento para no meter la pata? Desconecto batería y ya está?
Gracias!! 


miltonAC

Buenas noches!!

Refloto el tema porque lo había dejado en StandBy...

Al final como no obtuve respuesta para poder desconectar el conector de la ECU y no me animaba dejé pasar el tiempo hasta hoy, que le tocaba cambio de aceite y filtro.

Aprovechando que se le quitaba el cubre carter y en el taller me la subían en la plataforma, aproveché a cortar el cable del solenoide directamente desde abajo de la bomba inyectora.

Esperaba que se parara el motor.... esperé sobre tres minutos... no paso nada... solo le costó ligeramente al arrancar, casi imperceptible.

Al final volví a poner todo como estaba y ya está..

Algo extraño, el cable no era blanco/negro como esperaba sinó amarillo/negro

Alguien tiene alguna explicación para esto o lo mando a cuarto milenio?

Saludos!

abasel

yo creo que no has cortado el cable apropiado, si la bomba lleva solenoide inmediatamente que cortas se para

yo cortaría directamente la alimentación a la ecu, si cortas alimentación a la ecu no provocas ningún dtc puesto que al no llegar alimentación no lo graba, si cortas alimentación a cualquier otro sistema o dispositivo es posible que crees algún dtc

lo del embrague quizás seria mas fácil poner un micro pulsador al final del pedal que interferir en la electrónica de la ecu por el mismo motivo que antes

miltonAC

Gracias por responder!

A mi me parecía lo mismo, que me equivoqué de cable cuando le di marcha, pero es que estaba el conector entero desconectado (el T3a) que lleva tres cables, uno de ellos es el del solenoide. Luego corté el cable del solenoide y lo conecté, por si acaso, pero no pasó nada. El mecánico lo vio con una linterna por todos lados y no podía creer lo que veía, tampoco se lo explicaba. Mi furgo está casi original, es lo raro. No He encontrado rastros de haberle modificado nada, además de lo que yo le voy haciendo.  .malabares

Lo del microswitch me lo apunto, me gusta la idea, no se porqué se me había metido utilizar el contacto del embrague que trae de casa, pero es cierto, no va a costar mucho y es más seguro.

Lo de cortar la alimentación de la ECU me lo habían desaconsejado. Si alguien lo ha hecho y no ha tenido problemas, pues lo repienso, pero de primeras prefiero seguir el consejo que quien me lo dijo es un sabio.

Tiene que haber mil formas seguras de detener la marcha de un motor. Estamos escuchando muchos casos de gente que les deja tirado el vehículo por fallos en tal o cual sistema. Pues yo llevo casi un año buscando un sistema que boicotear que sea seguro para cuando se activa la alarma o lo bloqueo a distancia, y no doy con él.  .lengua2

abasel

tienes infinidad de cosas sencillas para impedir el arranque, pero muchas de ellas te provocaran un dtc en la ecu, puedes cortar señales de sensor de cigüeñal o árbol de levas, puedes cortar señal del potenciómetro del acelerador, arrancará pero no acelerará, puedes cortar en la bomba de combustible, arrancara pero solo andarán 100m

el tema es que tu furgo esta muy trillada, como todas las vw se las conocen muy bien si no quieres que se la lleven tienes que poner algo inusual

yo tengo la alarma que me avisa al móvil y si fuera necesario corte de bomba por sms

si el que te la roba va preparado con un inhibidor o es capaz de restaurar el corte de combustible, posiblemente encontrara y puenteara cualquier traba que le pongas

miltonAC

Octubre 17, 2020, 11:41:48 am #13 Ultima modificación: Octubre 18, 2020, 21:03:31 pm por miltonAC
inusual como un clavo saliendo de abajo justo en el medio del asiento del conductor?  :P
Esa es la alarma que yo tengo,, y me gusta la idea del potenciómetro... eso provocaría un DTC? :roll:
Que es un DTC? ;D

abasel

los dtc son los errores que quedan registrados en la ecu o en cualquier modulo, dependiendo del dtc y del vehículo puede llevar a que se bloquee o desincronice y no te permita el arranque si el dtc es reiterado, pero creo que no es el caso de tu furgo

la medida que propones no me parece idonea por dos motivos, por si salta accidentalmente y porque depende de la longitud y el diámetro del clavo igual se la lleva mas a gusto