Conectar cuentarevoluciones VW T3 gasolina al motor Renault Energy

Iniciado por mojopiconT3, Agosto 02, 2012, 19:31:11 pm

Tema anterior - Siguiente tema

0 Usuarios y 1 Visitante están viendo este tema.

grneo

Busca la bobina en la bobina tienes positivo negativo y alta el de alta va al distribuidor 

pues del positivo tienes que puentear ahi normalmente es el pin 1 pero detodas formas con una foto de la bobina te lo podria indicar mejor

haizkolari

Diciembre 20, 2012, 11:49:28 am #16 Ultima modificación: Diciembre 20, 2012, 11:52:10 am por haizkolari
Cita de: manuel gil lozano en Diciembre 20, 2012, 01:51:36 am
Eso es un captador de giro del cigueñal de los motores renault ahi creo que no hay señal de RPM


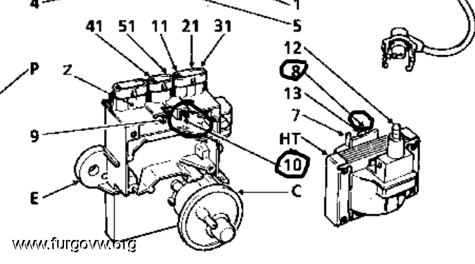
sí, es el que envía la información al módulo y el módulo al cuadro de instrumentos, es captador de pms y de vueltas del motor...si coincide este sistema con el suyo

la señal viene del conector A que llega al módulo, por la conexión 3... el 31 en el módulo(el 21 está mal marcado)


A cabesa nom paaaaraaaaaa!!!!!!

manuel gil lozano

Cita de: haizkolari en Diciembre 20, 2012, 11:49:28 am
sí, es el que envía la información al módulo y el módulo al cuadro de instrumentos, es captador de pms y de vueltas del motor...si coincide este sistema con el suyo

la señal viene del conector A que llega al módulo, por la conexión 3... el 31 en el módulo(el 21 está mal marcado)




Ah ya lo veo   .bien
topic=257409.0
Restauracion de VW T3
http://www.furgovw.org/index.php?topic=225177.0
Montando mi TDI (AFN 110cv)
http://www.furgovw.org/index.php?topic=281866.0

mojopiconT3

Cita de: haizkolari en Diciembre 20, 2012, 11:49:28 am
sí, es el que envía la información al módulo y el módulo al cuadro de instrumentos, es captador de pms y de vueltas del motor...si coincide este sistema con el suyo

la señal viene del conector A que llega al módulo, por la conexión 3... el 31 en el módulo(el 21 está mal marcado)




guau! si coincide este sistema con el mío, estoy salvado! gracias haizkolari, eres un crack!  .ereselmejor
no veré la furgo hasta la semana que viene, pero en cuanto pueda compruebo in situ si mi motor es así como muestras aquí,... que creo que sí.  ¿de donde sacas estos esquemas tan buenos?  esto es de un motor renault energy verdad?

haizkolari

Diciembre 20, 2012, 23:07:49 pm #19 Ultima modificación: Diciembre 20, 2012, 23:12:42 pm por haizkolari
A cabesa nom paaaaraaaaaa!!!!!!

mojopiconT3

Cita de: haizkolari en Diciembre 20, 2012, 23:07:49 pm
sólo busqué en el manual ... todo está en los libros  ;D

http://www.manualesdemecanica.com/manuales/Manuales-de-taller/

aquí lo tienes

http://www.filedropper.com/cliomodelos12141718d35bc571990-97


gracias!  estaba intentando ingresar en manuales de mecánica, pero no encuentro por ningún lado el cómo,...  .bien .bien .bien

mojopiconT3

Cita de: haizkolari en Diciembre 20, 2012, 23:07:49 pm
sólo busqué en el manual ... todo está en los libros  ;D

http://www.manualesdemecanica.com/manuales/Manuales-de-taller/

aquí lo tienes

http://www.filedropper.com/cliomodelos12141718d35bc571990-97


Hola de nuevo, ya estoy con la furgo.  a ver si puedo poneros alguna foto luego del motor, pero viéndolo aquí el esquema que has puesto coincide con el mio.
Te quería preguntar, me dijiste el otro día que el cable que llega al tablero con la señal de RPM del motor original VW es un cable verde,... ¿cómo lo localizo detrás en el motor?
gracias y un saludo!

mojopiconT3

hola de nuevo, aquí estoy en la tarea de buscar donde conecto el cuentarevoluciones de mi tablero original VW, al motor Renault Energy que tengo ahora instalado. subo algunas fotos del motor, para que podáis ver mejor cómo está la cosa.  a simple vista coincide bastante con el esquema que ha puesto haizkolari el otro día del manual de taller de un Renault Clío.

En esta imagen se ve una vista general de la zona del motor donde están la bobina...


El captor de RPM que viene en el volante motor, creo (viendo el cable parece que viene de ahí), se conecta en esta clema blanca:


El cable de dicha clema va a parar a la bobina, en donde señalo con la flecha verde en la siguiente foto:


Por otro lado, estoy localizando el cable (verde) que viene del cuadro, del cuentarevoluciones, que con mi antiguo motor VW estaba conectado, pero ahora no se donde está.  ¿a lo mejor está en este mazo de cables que sobraron del anterior motor y que los tengo hechos un paquete en una esquina del motor?


furgot389

hola , mirando el tema este toyo mojo, con mas motivo si te puedes hechar atras con la centralita adicional aver si sacamos agua clara entre todos , si tu tienes todo este sistema electrico del esquema se pueden sacar las dos señales o eso creo , entiendo que toda la informacion la saca del captador magnetico del volante que luego gestiona el otro aparatitao al que va conectado i de hay te sale la señal de rpm , bien la del captador magnetico del volante meteria las manos al fuego que es la equivalente a la mia del sensor daewo osea abria que robarle un cable al conector blanco de la dire al cable azul del conector blanco i si del otro aparatico descubres cual es la rpm pues al cable verde del conector blanco y como te decho por privado motor en marcha prueva aver que pasa yo en mi t3 el cable de rpm me llegaba al conector blanco de detras del cuadro el que empalma al papel impreso lo busque dando corriente al del motor atras y provando uno a uno el que se me encendio con una luz de led espero no averte liao mas saluttt .panico
no me preocupa el limite de velocidad sino mantenerme al limite....

furgot389

de la flecha verde mira en el esquema cual es color del rpm que lo tienes !!! solo tienes que saver cual es la señal del captador magnetico antes de llegar al conector ....esto se aclaraaa...
no me preocupa el limite de velocidad sino mantenerme al limite....

mojopiconT3

Cita de: furgot389 en Diciembre 29, 2012, 16:21:21 pm
de la flecha verde mira en el esquema cual es color del rpm que lo tienes !!! solo tienes que saver cual es la señal del captador magnetico antes de llegar al conector ....esto se aclaraaa...

ok, gracias! sí creo parece que se aclaran las cosas,  .. pero me dices que además de la señal de las RPM, también puedo sacar lo que hacía el captador de velocidad del Daewo Nexia? eso estaría genial! ¿cómo lo hago?
¿Recuerdas por donde te venía el cable de las RPM cuando conectaste tu cuadro en tu furgo?
en la ultima foto se ve un manojo de cables que sobraron cuando la transformación del motor Renault, ¿podría estar ahí el cable que llega al tablero con las RPM?  en los cables que te aparecen en el volante, cuando montaste la dirección asistida, ¿viene por ahi el de las RPM?

furgot389

no se mu bien donde pero en el alternador ami el cable era de color rojo con una rallita negra pero en el tablero era verde osea se intercala en algun empalme o algo yo lo busque desde atras que sabia el que era seguro lo conecte a una bateria de 12v pequeña al positivo y del negativo saque un cable largo asta el cuadro con una luz led intercalada en la punta del cable un alambre fino i empce tocar cada cable del conector blanco estrecho que empalma al cuadro por el papel impreso , tu lo tendras que hacer al reves desmontar el cuadro y si tienes cuantavueltas que te marchava averigual el que traia la señal ponerle corriente i empezar a buscar en el manojo aver si se enciende la luz en elguno no se si me entiendes , en los manojos que dices de la columna no biene por hay eso es todo de mandos biene al conector blanco del cuadro seguro cualquiera que sepa un poco de elecgtromecanica te sabra decir cual traia la señal luego a buscar atras saluttt
no me preocupa el limite de velocidad sino mantenerme al limite....

haizkolari

Diciembre 30, 2012, 02:06:55 am #27 Ultima modificación: Diciembre 30, 2012, 02:09:01 am por haizkolari

el cable de rpm del energy es ese

en la t3 gasolina el cable de rpm es verde, tendrás que buscarlo entre ese manojo de cables y conectarlo a la conexión del módulo del energy...debajo del cuadro del salpicadero el cable de la señal de rpm también es verde ... puedes sacar la señal del portarrelés, en el conector de relé nº4 que está vacío, la conexión 1



si te fijas bien en la foto el portarrelés tiene grabado unos números, si empiezas de izquierda a derecha puedes "intuir" el 1 el 2 etc etc ...el nº4 es el que está justo a la derecha del relé 42...buscas la ranura marcada con el nº1 y ahí supuestamente tienes una señal de rpm
A cabesa nom paaaaraaaaaa!!!!!!

mojopiconT3

Cita de: haizkolari en Diciembre 30, 2012, 02:06:55 am

el cable de rpm del energy es ese

en la t3 gasolina el cable de rpm es verde, tendrás que buscarlo entre ese manojo de cables y conectarlo a la conexión del módulo del energy...debajo del cuadro del salpicadero el cable de la señal de rpm también es verde ... puedes sacar la señal del portarrelés, en el conector de relé nº4 que está vacío, la conexión 1



si te fijas bien en la foto el portarrelés tiene grabado unos números, si empiezas de izquierda a derecha puedes "intuir" el 1 el 2 etc etc ...el nº4 es el que está justo a la derecha del relé 42...buscas la ranura marcada con el nº1 y ahí supuestamente tienes una señal de rpm


hola Haizkolari,
te cuento:  buscando, buscando, he conectado un cable verde que hay en el vano motor,    estaba por ahí suelto y es el único que he visto.  lo he puesto directamente en donde pones la flecha negra. en la bobina de encendido.
cruzé los dedos y puse la furgo en marcha a ver si va el cuentarevoluciones,  ... y nada!  no debe de ser ese el cable,  la cosa es que no veo más cables verdes por ahí. 
tampoco quiero "trastear" mucho, que no quiero tocar nada y fastidiarlo, ya que no entiendo mucho de mecánica y menos de electricidad del automóvil. no sé, igual lo dejo así, tampoco es grave estar sin rpm. gracias de nuevo y feliz año!!! .bien

haizkolari

seguramente es ese cable verde pero igual la señal no le sirve o no le llega, con un polímetro puedes comprobar si hay continuidad desde el cable verde que llega al conector que tienes debajo del cuadro o si quieres prueba conectsndo el cable verde en el negativo de la bobina que creo que es el cable blanco que se ve en la foto, fíjate primero si ese cable blanco está conectado a masa para verificar que es el negativo, parece que sí está conectado al cuerpo metálico del módulo ¿no? ... esto es cuestión de prueba y error  ;)




aquí te marco el conector del negativo que parece que es donde va el cable blanco  ???
A cabesa nom paaaaraaaaaa!!!!!!