Noviembre 04, 2025, 10:37:36 am




Luz roja en el salpicadero al frenar

Iniciado por JUANGUTSAN, Octubre 05, 2016, 14:11:23 pm

Tema anterior - Siguiente tema

0 Usuarios y 1 Visitante están viendo este tema.

JUANGUTSAN

Octubre 05, 2016, 14:11:23 pm Ultima modificación: Octubre 10, 2016, 11:13:14 am por NachoT3
Hola compañeros. Tengo una t2 con servofreno, mi pregunta es si alguien sabe por que se me ilumina una luz roja al frenar. No se si es normal o es síntoma de algún fallo. Saludos y gracias

BURATIÑO

En mi ducato del 90 indica nivel bajo del liquido de frenos. Revisalo.

JUANGUTSAN

Hola Buratiño. Muchas gracias, el liquido esta bien.
Saludos

jallacru

¿ Has buscado esta luz en el libro e instrucciones de tu furgo ???. . . o ya no tienes libro ?

En la luz habrá un símbolo. . . ¿qué símbolo es ???. . . .

Se encendía ya cuando te la vendieron ???  . .  o es actualmente cuando se enciende ???


JUANGUTSAN

Hola jallacru. La furgo tiene 45 años y yo no tuve nunca el libro. Pone una b asi que imagino que son brakes, frenos y es que solo se ilumina al pisar el freno. Antes no lo hacia

jallacru

Ahí le has dado. . . .  si se enciende la b de brakes será evidente que son los frenos. . .  además se enciende al frenar y antes no lo hacía. . . .
Tienes los frenos gastadísimos y te está avisando que como no cambies las pastillas vas atener un problema de frenos. . . .  con 45 años no creo que lleves discos. . . y también es raro que a esos años ya llevara chivato. . .  igual lo instaló un anterior propietario
Hazte revisar los frenos sin tardanza, o la avería será mucho mayor.

jotaerre

Cita de: jallacru en Octubre 08, 2016, 11:05:57 am
Ahí le has dado. . . .  si se enciende la b de brakes será evidente que son los frenos. . .  además se enciende al frenar y antes no lo hacía. . . .
Tienes los frenos gastadísimos y te está avisando que como no cambies las pastillas vas atener un problema de frenos. . . .  con 45 años no creo que lleves discos. . . y también es raro que a esos años ya llevara chivato. . .  igual lo instaló un anterior propietario
Hazte revisar los frenos sin tardanza, o la avería será mucho mayor.


Era un extra, y en la M-Plate viene indicado, la mia también lo llevaba.
Las T2 montaban disco delante desde el ´71, y la mia de enero del 73 ya llevaba el extra del servofreno también.

Codigo 506 - With brake servo and dual circuit brake warning light

so23

Octubre 08, 2016, 15:46:09 pm #7 Ultima modificación: Octubre 10, 2016, 10:02:28 am por so23
[edito con mas aclaracion]

Originalmente DEBE prenderse cuando le das al contacto. Si no lo hace es que algo esta mal.

Al arrancar el vehiculo debe apagarse y permanecer asi.

Es muy raro ver este comportamiento original y habitualmente no funciona correctamente porque se sustituye el sensor de presion original de 3 terminales por otro. El sensor de presion original es muy dificil de conseguir.


Por tanto esta luz ha dejado de ser una referencia fiable de calidad de frenado.

Has notado que cuesta mas de frenar? El recorrido del pedal se alarga?


JUANGUTSAN

Entonces es normal que se ilumine. Muchas gracias a todos por el interes

jallacru

No tengo VW y no sé nada de las t2. . . pero no veo lógico que se encienda una luz cuzndo frenas  --ya notas que frenas con tu sentido común--. . .  las luces, cuando se encienden, normalmente "anuncian un problema"

JUANGUSTAN. . .YO HARÍA CONTROLAR LAS PASTILLAS DE FRENO

so23

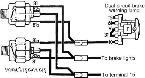
El esquema de conexion es:



en reposo los  terminales 81 y 81a estan conectados. Las luces de freno a traves de la bombilla estan conectadas a tierra (apagadas)

Al frenar se conecta al terminal 82a y las lueces de freno se encienden.

Si uno de los circuitos de freno  falla ( ya sea fuga o el propio sensor),  se trasnmite corriente desde las luces de freno (por el sensor bueno) a la luz de alarma.


JUANGUTSAN

Gracias compañeros. Lo que esta claro es que las pastillas no llevan sensor de desgaste. So23 entiendo entonces que la alarma venga cuando esta luz se ilumine sin pisar el freno, estoy en lo cierto?