HELP!!! Como reparar holgura palanca cambios t3

Iniciado por jawito, Mayo 26, 2014, 17:23:11 pm

Tema anterior - Siguiente tema

0 Usuarios y 1 Visitante están viendo este tema.

jawito

Mayo 26, 2014, 17:23:11 pm Ultima modificación: Mayo 26, 2014, 17:27:01 pm por NachoT3
Hola buenas tardes.
Tengo mucha orgura en la palanca de cambios y pienso que en poco tiempo puede romper.
He comprado en OLDTIMERWERK un kit con muelles y diferentes piezas de goma y plastico, pero no tengo ni idea de como van.
Alguien puede ayudarme con un manual o foto o algo.
Muchas Gracias

Chabi

La holgura la tienes en la palanca o en el varillaje hasta la caja ?

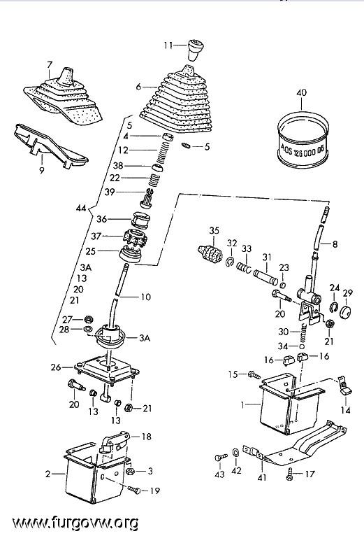
Aqui tienes un esquema de como va montado , hay dos tipos de palancas de cambio :





Las dos semiesferas que forman  bola de teflon, acuerdate de engrasarlas bien para que vaya suave .

*imagen borrada por el servidor remoto

Esta pieza que va a la caja de cambios tb suele coger holgura con el paso del tiempo :



Por si tienes acceso al ETKA aqui tienes el grupo y familia donde puedes encontrar el despiece :




Si tienes alguna duda pregunta :D

jawito

Oleeeeee
Eso es lo que yo buscaba 10000 gracias.
ETKA? que es eso, no se.
No yo no tengo acceso a eso?

Muchas Gracias

Chabi

Nada a mandar , yo hice el cambio relativamente hace poco y no es dificl :D

El ETKA es el programa donde se ven los despieces del grupo VAG.

En esta web tienes una simulación del programa en cuestión :

http://ifinterface.com/page/page3.php?langid=1

En caso de las T3 busca Type2 y luego elije el año y ahí te viene casi todo .

FERgonet3

Hola, necesito vuestra ayuda. Quiero desmontar la pieza esa que sale en la foto con el fondo naranja que esta debajo de la caja de cambios y es como una copa que sujeta la bola esa de teflon. Lleva como un pasador largo que atraviesa la barra de la palanca. como se quita ese pasador o tornillo o lo que sea......

zerepgil

Golpeando el pasador con un botador sale hacia un lado y libera la pieza de la barra

AlvaroT3

dame la direccion de OLDTIMERWERK y la referencia de lo que has comprado
necesito comprar lo mismo
por fa
EL HECHO DE QUE TENGAS RAZON, NO QUIERE DECIR QUE ESTOY EQUIVOCADO. SIMPLEMENTE NO HAS VISTO LA VIDA DESDE MI LADO

mirapani

Hola si sigue teniendo holgura después de cambiar todas las piezas, yo hice un invento si te interesa te mando las fotos, consiste en un cilindro en la caja de abajo de la palanca que evita esa holgura, Saludos

Juanfran77


mirapani

Hola, ya le hice la foto al invento es un tornillo que atraviesa la caja donde cambia de dirección la palanca, los agujeros de la caja los hicimos ovalados para poder buscar la posición exacta , lleva cuatro tuercas para fijarlo y un tubo hueco por donde va el tornillo, no le hice fotos porque no sabia si iba a funcionar, lleva un año puesto y la palanca no tiene holgura, yo también había cambiado todas las muelles y rotulas y fue decepcionante pues seguía igual