Diciembre 23, 2025, 02:57:53 am




Cambio Silenblocs y amortiguadores

Iniciado por jaizkibel10, Marzo 19, 2013, 23:08:13 pm

Tema anterior - Siguiente tema

0 Usuarios y 1 Visitante están viendo este tema.

jaizkibel10

Hola a tod@s, el motivo de este hilo es simplemente porque hace un mes estuve viendo y leyendo, un tutorial muy bien realizado en el cual mostraban como cambiar las rotulas y silenblocs de una t4. Quiero cambiar amortiguadores, rótulas y silenblocs tanto del trapecio inferior como superior, y quisiera poder volver a ver ese tutorial. No lo encuentro, alguien puede marcarme la dirección. Salud.

jaizkibel10

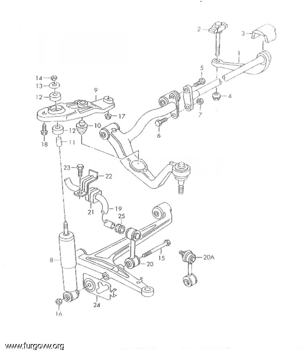
Aquí os cuelgo un dibujo de donde quiero meter mano.


rosso

Justamente hoy me he pasado por la página de oscaro y están varios recambios a mitad de precio para el cambio de rótulas, igual ya lo sabías sino echale un ojo :o
yo me estoy pensando cambiar las rótulas de suspensión delanteras pero no se como me puede salir en mano de obra en un taller, se tarda mucho en la operación??

rosso

jaizkibel10

He mirado de momento solo en la página de Mister Auto y te puedo decir, los cuatro amortiguadores, las 4 rótulas, todos los silent blocks y los dos tacos muñon, donde golpea el trapecio en caso de una compresión escesiva del amortiguador, sale aprox 600€, mama caca. Pero esto es lo que hay, con 14 años y 254mil Km, algún dia hay que reponer algo. Yo calculo que en un taller como mínimo te puedan llevar 500€, mas luego metele el IVA y a lo mejor me quedo corto, no sé, de tarifas voy pegado.
Los amortiguadores son de Sachs y las demás piezas de Lemförder, del mismo grupo.

rosso

Ya me lo mire en el rodi antes de pasar la ITV por si decían algo. Salía por 2 mil pavos: las rótulas de dirección, las de suspensión y las suspensiones de las cuatro ruedas. :o
Como la pasé pos de momento voy a esperar y solo cambiaré las de suspensión de delante. A ver por cuanto me lo dejan en el rodi y sinó a seguir buscando .discusion

Saludos rosso