Diciembre 15, 2025, 11:37:13 am




Enchufe 220V solo para campings

Iniciado por Vallekano, Julio 21, 2022, 07:45:18 am

Tema anterior - Siguiente tema

0 Usuarios y 1 Visitante están viendo este tema.

Vallekano

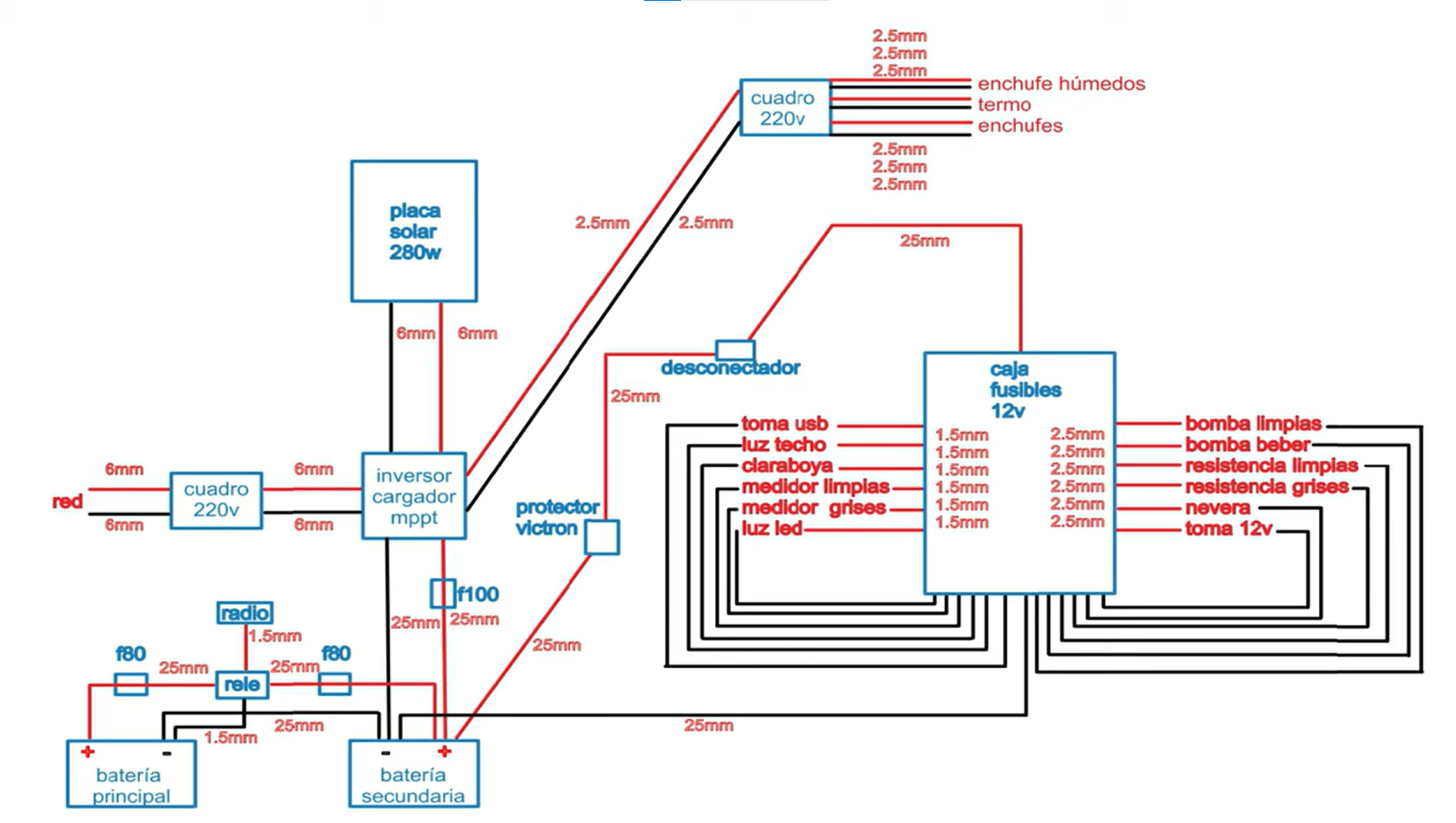
Estoy iniciando mi proceso de camperización y voy a seguir un esquema eléctrico muy similar al de la imágen que os ponga a continuación, de los amigos de "Maleta y Viaje".



El inversor que usaré es un Master U-Power Inversor Cargador Hibrido UM 1000W 12V MPPT.

Mi duda viene porque me gustaría tener un enchufe de 220V reservado a cuando esté conectado a la red en algún camping. El objetivo es que dependiendo del momento, a veces iremos a campings con luz, y en esos casos poder llevar algún aparato a 220V realmente potente y usarlo.

A modo de ejemplo, supongamos que se que voy a estar la mayor parte de los días en un camping y me decido llevar una vitrocerámica portatil. La vitro consume 2000 W, muchos más de lo que mi inversor soporta (1000W), dejando de lado que se comería la batería en un rato.

En este caso me gustaría tener un enchufe "especial" para conectar aparatos de este tipo, pero no tengo muy claro en que punto iría.

Mi lógica me dice que este enchufe saldría de un magnetotérmico del cuadro de 220V que hay justo tras la entra da de red. En ese punto, anterior al inversor supongo que no hay problema de conectar lo que sea pero tengo mis dudas.

¿O me estoy volviendo loco y este inversor por ejemplo soporta 1000W cuando "tira" de la batería, pero si estoy enchufado a la red admite el máximo de la red y por lo tanto podría usar cualquier enchufe de 220V? Supongo que no....

Y suponiendo que el enchufe lo coloco saliendo del primer cuadro de 220V como digo, si por error conecto algo potente ahí, sin estar enchufado a la red....¿pasaría algo? ¿Me podría cargar el inversor al haber algo consumiendo en su entrada de 220V?

Espero me podáis aclarar un poco este tema.

Gracias,
Oscar.

Phoenixtoledo

Con mis pocos conocimientos de electricidad (a ver si viene alguien más que pueda asesorarte) te digo lo que yo pienso.

La toma exterior de 220v se conecta al inversor para que cuando estés conectado pueda cargar la batería auxiliar. Del inversor saldrá una línea de 220v con su cuadro de protecciones. Cuando te conectes a la red externa, el híbrido debería priorizar (manualmente o automáticamente) el uso de dicha red, para que lo que conectes no tire de la batería. Quiero entender que cuando hace esto, no pone límite a la potencia que conectes. Es decir, el inversor como tal ya no funciona. El límite lo pondrían las protecciones de la línea, bien las exteriores o bien las que tengas tú colocadas.

Espero que me corrijan si me equivoco.
Camperización de nuestra abejita Bee: https://www.furgovw.org/foro/index.php?topic=378660.0

Miserjo

Correcto, cuando te conectes a red, el inversor híbrido automáticamente dará prioridad a la red. Dándole suministro a todo la instalación eléctrica del furgón, tanto de 12v, como de 220v. Y además irá cargando la batería.

Y el límite te lo dará más bien el camping, que normalmente lo tienen capado para evitar grandes consumos, o que si los quieres, que los pagues.

AntonioOC

Si no te quieres liar, donde pone red  que va a parar al cuadro de 220v saca en paralelo dos cables para un magnetotérmico de 16A y un diferencial de 40A 0.03 ( entra por el diferencial, sale del diferencial y va al magnetotérmico ) en la salida del magneto ya le pones un enchufe o 2 o 3 , esos enchufes irán todos a 220v de la red protegidos independientemente con sus protecciones, es la manera más fácil de hacerlo, también podrías sacarlo del cuadro que hay en el esquema pero en caso de que salte la protección no sabrás de done viene la avería...

Enviado desde mi Mi A2 Lite mediante Tapatalk


Quebrantos

Julio 21, 2022, 11:39:22 am #4 Ultima modificación: Julio 21, 2022, 11:56:26 am por maiings
El aparato dice que suministra la alimentación a las cargas en modo "online",pero no hay en las especificaciones distinción en la potencia de salida entre el modo online y cuando está por batería. Además esepecifica que para el inversor de 1KVA debes intercalar un interruptor de control de potencia de 10A en la linea de 220, por lo que nunca podrías llegar a consumir más de esa potencia.
Para hacer lo que quieres, o bien haces lo de la linea paralela desde la entrada de 220 o , si quieres usar todos los enchufes que instales, tendrías que intercalar entre el la salida del inversor, la entrada de 220 y los enchufes de 220 un interruptor de prioridad que conmute entre el inversor y la toma externa.

Para responder a una de tus dudas, si sacas la línea de 220 en paralelo antes del inversor y te dejas algo enchufado, simplemente no funcionará, no te cargarás nada.

https://www.masterbattery.es/manuales/Omega_UP-UM-Esp.pdf

Vallekano

Cita de: AntonioOC en Julio 21, 2022, 10:50:06 amSi no te quieres liar, donde pone red  que va a parar al cuadro de 220v saca en paralelo dos cables para un magnetotérmico de 16A y un diferencial de 40A 0.03 ( entra por el diferencial, sale del diferencial y va al magnetotérmico ) en la salida del magneto ya le pones un enchufe o 2 o 3 , esos enchufes irán todos a 220v de la red protegidos independientemente con sus protecciones, es la manera más fácil de hacerlo, también podrías sacarlo del cuadro que hay en el esquema pero en caso de que salte la protección no sabrás de done viene la avería...

Enviado desde mi Mi A2 Lite mediante Tapatalk



Gracias a todos por las respuestas. Creo que haré lo que comenta AntonioOC. Me obliga a poner otro pequeño cuadro para 1 solo enchufe pero creo que es la opción correcta.

Quebrantos

Cita de: Vallekano en Julio 22, 2022, 07:20:59 amGracias a todos por las respuestas. Creo que haré lo que comenta AntonioOC. Me obliga a poner otro pequeño cuadro para 1 solo enchufe pero creo que es la opción correcta.

No se exactamente a que te refieres con "otro cuadro", pero ya que para alimentar el inversor a 220 tambíen debes poner diferencial y magnetotermico de 10A,podrías montar en un mismo cuadro un diferecial, y colgando de este un magnetotermico de 10A para el inversor y otro de 16A para la carga extra.


Para rizar el rizo, y terminar de liarte, también existen protectores de sobretension para 220, no sería la primera vez que veo una instalación fundida por problemas en la instalación del Camping.

Vallekano

Cita de: maiings en Julio 22, 2022, 10:20:27 amNo se exactamente a que te refieres con "otro cuadro", pero ya que para alimentar el inversor a 220 tambíen debes poner diferencial y magnetotermico de 10A,podrías montar en un mismo cuadro un diferecial, y colgando de este un magnetotermico de 10A para el inversor y otro de 16A para la carga extra.


Para rizar el rizo, y terminar de liarte, también existen protectores de sobretension para 220, no sería la primera vez que veo una instalación fundida por problemas en la instalación del Camping.

Es verdad, me he liado yo solo. Con un magnetotérmico de 10A para el inversor y otro de 16A para "mi enchufe" como bien dices, es suficiente. Lo del protector no lo tenía decidido al 100% pero si tenía en la cabeza ponerlo también.