Diciembre 05, 2025, 08:45:18 am




Kit conversion hydronic

Iniciado por deprimido, Enero 18, 2009, 02:45:20 am

Tema anterior - Siguiente tema

0 Usuarios y 1 Visitante están viendo este tema.

deprimido

Enero 18, 2009, 02:45:20 am Ultima modificación: Enero 18, 2009, 20:50:12 pm por falco_vw
hola, como lo veis esto??

http://translate.google.com/translate?prev=_t&hl=es&ie=UTF-8&u=http%3A%2F%2Fwww.blaulichtundmehr112.de%2Fshop%2Fproduct_info.php%3Finfo%3Dp84_VW-T4-Zuheizer-Umruestung-auf-Standheizung.html%26XTCsid%3D8069a24fe075a387b98cf2185418baf2&sl=de&tl=es&history_state0=


BajoZero

Haber si conseguimos saber algo mas, parece interesante....
BajoZero.es
Refrigeracion y electricidad en corriente continua.
Transformación de neveras al mejor precio !
IndelB - Vitrifrigo - Dometic - VictronEnergy

www.bajozero.es

https://cutt.ly/ggVxyLE

VWHercules130

Había un tutorial de falco-vw del montaje del kit de calefacción y también hay un hilo de ekavan del mismo montaje. El kit de Eberspacher tiene dos partes, una eléctrica y otra "acuática". Me da que la caja negra que aparece en el enlace hace una función similar a la de la centralita del kit "oficial", engañar al Hidronyc para que se crea que el alternador está funcionando y que el sensor de temperatura exterior marca menos de 4 grados. Y el relé debe ser para activar el ventilador del salpicadero. Tendrás que añadirle algún interruptor o programador para el arranque y cableado vario. Resumiendo, lo que hace esta caja negra lo puedes hacer tú por unos 10 €. Y el mayor inconveniente, la circulación del refrigerante. El kit Eberspacher añade una válvula y una bomba al circuito de manera que el recorrido se reduce y no pasa por el radiador del motor, lo que hace que tengas aire caliente a los tres minutos del arranque.
Has buscado el kit "oficial"?   
http://cgi.ebay.de/original-Eberspaecher-Aufruestsatz-Zuheizer-T4-NEU_W0QQitemZ260329023113QQcmdZViewItemQQptZAutoteile_Zubeh%C3%B6r?hash=item260329023113&_trksid=p3286.c0.m14&_trkparms=72%3A1229%7C66%3A2%7C65%3A12%7C39%3A1%7C240%3A1318

deprimido

Cita de: VWHercules130 en Enero 18, 2009, 20:42:28 pm
Había un tutorial de falco-vw del montaje del kit de calefacción y también hay un hilo de ekavan del mismo montaje. El kit de Eberspacher tiene dos partes, una eléctrica y otra "acuática". Me da que la caja negra que aparece en el enlace hace una función similar a la de la centralita del kit "oficial", engañar al Hidronyc para que se crea que el alternador está funcionando y que el sensor de temperatura exterior marca menos de 4 grados. Y el relé debe ser para activar el ventilador del salpicadero. Tendrás que añadirle algún interruptor o programador para el arranque y cableado vario. Resumiendo, lo que hace esta caja negra lo puedes hacer tú por unos 10 €. Y el mayor inconveniente, la circulación del refrigerante. El kit Eberspacher añade una válvula y una bomba al circuito de manera que el recorrido se reduce y no pasa por el radiador del motor, lo que hace que tengas aire caliente a los tres minutos del arranque.
Has buscado el kit "oficial"?   
http://cgi.ebay.de/original-Eberspaecher-Aufruestsatz-Zuheizer-T4-NEU_W0QQitemZ260329023113QQcmdZViewItemQQptZAutoteile_Zubeh%C3%B6r?hash=item260329023113&_trksid=p3286.c0.m14&_trkparms=72%3A1229%7C66%3A2%7C65%3A12%7C39%3A1%7C240%3A1318


yo lo que busco es usar el hydronic con vehiculo parado y pasando todo el calor por el bloque motor, hable largo y tendido con aghastt de este tema pero me quedan dudas, como si recirculara el agua por el bloque motor aunque le añadamos una bomba, pienso que no , que el agua no pasara por el bloque porque la bomba de agua no se mueve en dicho bloque............

VWHercules130

Pues habría que estudiarlo. De hecho ya hay una bomba eléctrica auxiliar que seguro que alguna vez has oido que se dispara una vez parado el motor para que siga circulando el refrigerante y así baje su temperatura más rápido....Lo que no sé es si esa bomba hace que circule el agua por el bloque, pues la bomba mecánica está parada. De todas maneras, lo que te interesa es calentar el bloque? Lo que necesitas es calor en el radiador de la calefacción.

deprimido

Cita de: VWHercules130 en Enero 18, 2009, 23:05:31 pm
Pues habría que estudiarlo. De hecho ya hay una bomba eléctrica auxiliar que seguro que alguna vez has oido que se dispara una vez parado el motor para que siga circulando el refrigerante y así baje su temperatura más rápido....Lo que no sé es si esa bomba hace que circule el agua por el bloque, pues la bomba mecánica está parada. De todas maneras, lo que te interesa es calentar el bloque? Lo que necesitas es calor en el radiador de la calefacción.


ya tengo estatica, mi intencion es calentar el bloque un poco antes de arrancar, cuando estas a -10 o mas es una buena ayuda para alarar su vida, pienso yo!!, no sabia de la existencia de esa bomba o es la de recirculacion que esta bajo el radiador??. que opinas de esta aplicacion??

pronillo

Hola deprimido, de hecho, el hydronic cuando arranca con temporizador a motor parado una de las cosas que hace es calentar el bloque para que cuando arranques la furgo ya tenga temperatura.

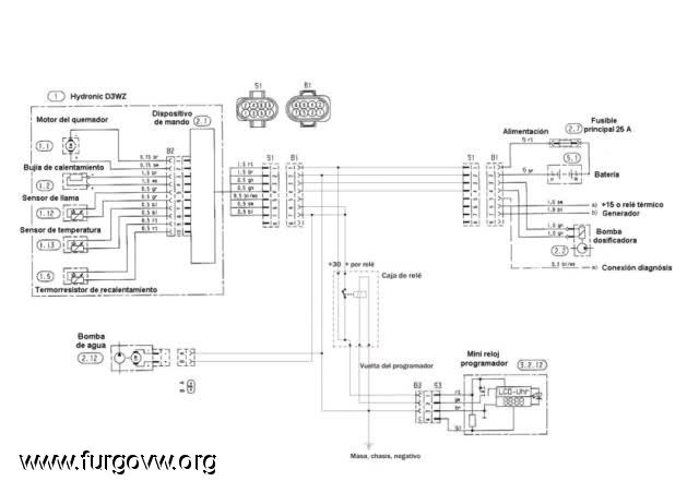
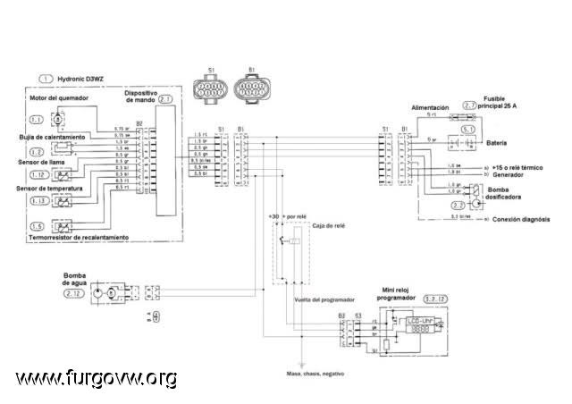
El hidronic necesita un positivo fijo, uno de contacto, a traves de llave, y una señal de 12 voltios de alternador, mas la señal de la sonda que se puede puentear, con un temporizador, un relé y unos diodos para que no haya retornos pienso que se puede hacer lo que dices, no es necesario ningun "artilugio" del mercado.

En mis fotos tienes un esquema que comenté con Agahts para ver si podria valer para arrancar el hydronic a motor parado, echale un vistazo.

Un saludo.

deprimido

Cita de: pronillo1963 en Enero 18, 2009, 23:21:24 pm
Hola deprimido, de hecho, el hydronic cuando arranca con temporizador a motor parado una de las cosas que hace es calentar el bloque para que cuando arranques la furgo ya tenga temperatura.

El hidronic necesita un positivo fijo, uno de contacto, a traves de llave, y una señal de 12 voltios de alternador, mas la señal de la sonda que se puede puentear, con un temporizador, un relé y unos diodos para que no haya retornos pienso que se puede hacer lo que dices, no es necesario ningun "artilugio" del mercado.

En mis fotos tienes un esquema que comenté con Agahts para ver si podria valer para arrancar el hydronic a motor parado, echale un vistazo.

Un saludo.


es mi intencion, pero que yo sepa nadie lo tiene montado así y si no tengo la seguridad de que vaya ok pues no me la juego por eso no hago nada mas que buscar informacion. Pasame el link de las fotos porfa


pronillo

Las fotos las tienes picando en la camara que hay debajo de mi avatar.

deprimido

Cita de: pronillo1963 en Enero 18, 2009, 23:26:55 pm
Las fotos las tienes picando en la camara que hay debajo de mi avatar.


ok. tu lo tienes montado asi?? o como calefa?

pronillo

No, yo aun no lo tengo montado, esto voy a montarlo cuando tenga a punto el sistema de agua caliente por intercambiador que por ahora lo tengo parado.

Aca te dejo la foto.


deprimido

Cita de: pronillo1963 en Enero 18, 2009, 23:33:27 pm
No, yo aun no lo tengo montado, esto voy a montarlo cuando tenga a punto el sistema de agua caliente por intercambiador que por ahora lo tengo parado.

Aca te dejo la foto.



jajaja, agua caliente, eres un fichaje!! siempre algo en la cabeza. Yo os sigo los pasos, ya tengo el intercambiador del calentador, un hydronic de un 806, mangueras y ahora me falta buscar el hueco para el deposito y el frigo termostatico. bueno alguna cosa mas me falta pero facilmente encontrable.

realmente deberia de ser muy facil hacer el "puente" para que funcione el hydronic a motor parado pero se me eriza el pelo el pensar que si meto mano sin estar realmente seguro la lie gorda

LeChef

Estoy atento porque mi mutivan duerme todos los días en la calle y quiero calentarla un poquito antes de arrancar. Y si subes a 2000m. en estas fechas, creo que es más que necesario.

Buffer

deprimido, no había visto tu enlace, me parece muy barato, la verdad. Me recuerda a que en t4wiki pusieron un esquema electrónico para hacerse una centralita alternativa a la que venden en Eberspächer. Interesante y además lleva instrucciones, los de las T4s estáis de suerte. Aunque el problema del consumo es el de siempre, sigue tirando de la batería principal...
Mercedes V230 TD del 97, en proceso de segunda camperización

deprimido

Cita de: Buffer en Enero 20, 2009, 11:18:57 am
deprimido, no había visto tu enlace, me parece muy barato, la verdad. Me recuerda a que en t4wiki pusieron un esquema electrónico para hacerse una centralita alternativa a la que venden en Eberspächer. Interesante y además lleva instrucciones, los de las T4s estáis de suerte. Aunque el problema del consumo es el de siempre, sigue tirando de la batería principal...


ese buffer!!! con vosotros si que aprendo  ;D